
Пресс-центр
Новости компании
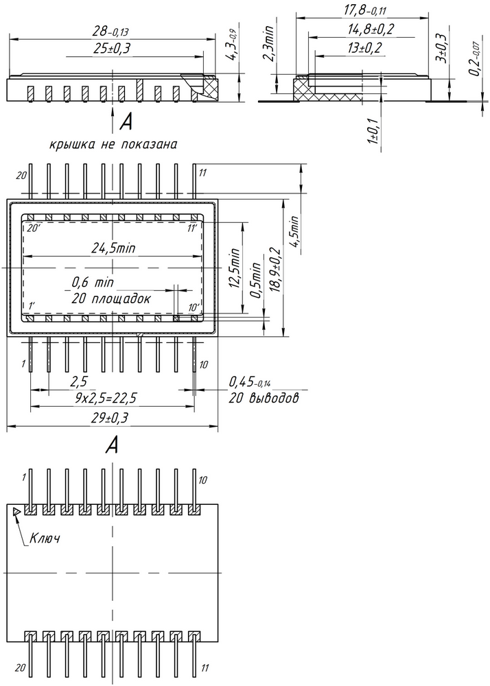
Металлокерамический корпус 5 типа LLCC
Металлокерамический корпус 5206.20-1 К
Конструктивное исполнение: Металлокерамический 20-выводной корпус 5 типа по ГОСТ Р 54844-2011. Выводы располагаются на плоскости основания по двум противоположным сторонам.
Состав корпуса: Корпус состоит из основания с выводной рамкой и крышки. Покрытие крышки Хим.Н3. Все открытые металлизированные поверхности и металлические части основания корпуса имеют золотое покрытие.
Технические характеристики
|
Количество выводов |
20 |
|
Количество контактных площадок |
20 |
|
Шаг выводов, мм |
2,5 |
|
Габаритные размеры тела корпуса, не более, мм |
29,3х19,1х4,4 |
|
Размер монтажной площадки корпуса, не менее, мм |
24,5х12,5 |
|
Глубина монтажного колодца, мм |
1,0±0,1 |
|
Масса основания корпуса, не более, г |
5,7 |
|
Масса крышки, не более, г |
0,45 |
|
Способ герметизации |
Контактная шовная сварка |
|
Конструктивные особенности |
МП неметаллизирована. Крышка (ободок) электрически соединена с выводом 7 и контактной площадкой 7' |
|
Расположение выводов |
По 2-м сторонам |
|
Покрытие металлизированных поверхностей и металлических частей основания |
Н2.Зл2 |
|
Максимальное значение повышенной рабочей температуры среды при эксплуатации, С |
+155 |
|
Минимальное значение пониженной температуры среды при эксплуатации, транспортировании и хранении, С |
-60 |
|
Значение атмосферного пониженного давления при эксплуатации, Па (мм рт.ст.) |
1,3х10-4(1х10-6) |
|
Значение повышенного давления при эксплуатации, Па (мм рт.ст.) |
5,1х105 (3800) |
Значения электрических параметров
|
Сопротивление изоляции между изолированными токопроводящими элементами корпуса в нормальных климатических условиях (при постоянном напряжении 100 В), не менее, Ом |
1х109 |
|
Изоляция между изолированными токопроводящими элементами корпуса должна выдерживать (в нормальных климатических условиях без пробоя и поверхностного перекрытия) испытательное напряжение, В |
200 |
|
Сопротивление токоведущих дорожек и выводов основания корпуса, не более, Ом |
0,15 |
Габаритный чертеж
